Характеристики
Подача, м3/ч
—
22
Напор, м
—
155.4-71.3
Артикул
—
99000016246
Максимальная мощность насоса, кВт
—
11
Номинальный (условный) диаметр патрубка (DN), мм
—
50
Производитель
—
АО «Ливенский завод погружных насосов»
Все характеристики
По запросу
Нашли дешевле?
Под заказ
Наши менеджеры обязательно свяжутся с вами и уточнят условия заказа
Необходимо уточнять срок и возможность изготовления
Технические характеристики
Подача, м3/ч: 22
Напор, м: 155,4-71,3
Мощность, кВт: 11 Температура жидкости, С: до +120 Материал корпуса и рабочего колеса: Нержавеющая сталь
Установка: Вертикальная, горизонтальная
Гидравлические характеристики

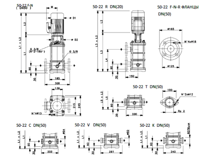
Габаритные характеристики

Технические характеристики
Подача, м3/ч: 22
Напор, м: 155,4-71,3
Мощность, кВт: 11 Температура жидкости, С: до +120 Материал корпуса и рабочего колеса: Нержавеющая сталь
Установка: Вертикальная, горизонтальная
Гидравлические характеристики

Габаритные характеристики

| тип НАСОСА | ДВИГАТЕЛЬ | РАЗМЕРЫ (мм) | МАССА (кг) | ||||||||||||
| кВт | габарит | L1 | L2 | L3 | L4 | L5 | М | D1 | D2 | насос | насос с двигателем | ||||
| 1-ф | 3-ф | 1-ф | 3-ф | 1-ф | 3-ф | ||||||||||
| 50-22 10 | 11 | 160 | 900 | - | 428 | 900 | 589 | 900 | - | 191 | - | 256 | 350 | 35,8 | 107 |
|
Подача, м3/ч
|
22 |
|
Напор, м
|
155.4-71.3 |
|
Артикул
|
99000016246 |
|
Максимальная мощность насоса, кВт
|
11 |
|
Номинальный (условный) диаметр патрубка (DN), мм
|
50 |
|
Производитель
|
АО «Ливенский завод погружных насосов» |
|
Гарантия
|
24 месяца |
