Характеристики
Потребляемая мощность, Вт
—
40
Мах расход воздуха, м3/ч
—
415
По запросу
Нашли дешевле?
Под заказ
Наши менеджеры обязательно свяжутся с вами и уточнят условия заказа
Описание
Технические характеристики
| Модель | Макс. расход воздуха, м3/ч | Электропитание |
Частота вращения, об/мин |
Рабочий ток, А | Мощность, Вт |
Температура перемещаемого воздуха, °С |
Класс защиты | Класс изоляции | Вес, кг | |
| В/Гц | Фазы | |||||||||
| AX-W-200-4E | 415 | 230/50 | 1 | 1400 | 0,21 | 40 | -30..+60 | IP44 | B | 3 |

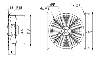
Габаритные размеры

| Тип вентилятора | Размеры, мм | ||||||||
| ∅A | ∅B | C | D | E | ∅F | ∅G | ∅I | ∅L | |
| AX..200-4E | 203 | 210 | 260 | 312 | 52 | 260 | 205 | 250 | 222,5 |
