Характеристики
Артикул
—
R2E250RA5015
Завод-изготовитель
—
epM
Постоянный/переменный ток
—
переменный
Номинальное напряжение
—
230 В
Скорость вращения
—
2500 об/мин
Входная мощность
—
210 Вт
Все характеристики
По запросу
Нашли дешевле?
Под заказ
Наши менеджеры обязательно свяжутся с вами и уточнят условия заказа
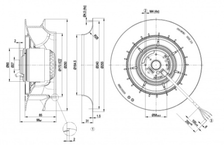
AC центробежный вентилятор - RadiCal назад загнутые лопатки, одностороннее всасывание
Схема подключения
| U1 | синий |
| Z | коричневый |
| U2 | черный |
| PE | зеленый/желтый |
Характеристики: производительность по воздуху 50 Гц

ρ = 1,15 kg/m3 ± 2 %
Измерение: LU-135153-1
Замеры производительности соответствуют ISO 5801 категория А. Для детального уточнения способа замеров, Вам необходимо обратиться к специалистам ebm-papst. Уровень звукового давления со стороны всасывания: LwA по ISO 13347 / LpA с расстоянием 1м от оси вентилятора. Данные действительны только при указанных условиях измерения и могут варьироваться в зависимости от условий установки. При отклонении от стандартной конфигурации, необходимо проверить все значения в собранной установке.
Данные измерений
| U | f | n | Pe | I | qV | Pfs | qV | Pfs | |
|---|---|---|---|---|---|---|---|---|---|
| V | Hz | min-1 | W | A | m3/h | Pa | cfm | in.wg | |
| 1 | 230 | 50 | 2630 | 179 | 0,78 | 1425 | 0 | 840 | 0,00 |
| 2 | 230 | 50 | 2535 | 206 | 0,90 | 1175 | 180 | 690 | 0,72 |
| 3 | 230 | 50 | 2500 | 210 | 0,93 | 835 | 360 | 490 | 1,45 |
| 4 | 230 | 50 | 2615 | 183 | 0,80 | 390 | 500 | 230 | 2,01 |
Где: U = Напряжение питания · f = Частота · n = Скорость вращения · Pe = Входная мощность · I = Потребляемый ток · qV = Расход воздуха · Pfs = Увелич. давления
Характеристики: производительность по воздуху 60 Гц

ρ = 1,15 kg/m3 ± 2 %
Измерение: LU-135157-1
Замеры производительности соответствуют ISO 5801 категория А. Для детального уточнения способа замеров, Вам необходимо обратиться к специалистам ebm-papst. Уровень звукового давления со стороны всасывания: LwA по ISO 13347 / LpA с расстоянием 1м от оси вентилятора. Данные действительны только при указаных условиях измерения и могут варьироваться в зависимости от условий установки. При отклонении от стандартной конфигурации, необходимо проверить все значения в собранной установке.
Данные измерений
| U | f | n | Pe | I | qV | Pfs | qV | Pfs | |
|---|---|---|---|---|---|---|---|---|---|
| V | Hz | min-1 | W | A | m3/h | Pa | cfm | in.wg | |
| 1 | 230 | 60 | 2775 | 246 | 1,07 | 1500 | 0 | 880 | 0,00 |
| 2 | 230 | 60 | 2450 | 285 | 1,25 | 1025 | 250 | 605 | 1,00 |
| 3 | 230 | 60 | 2485 | 270 | 1,18 | 670 | 400 | 395 | 1,61 |
| 4 | 230 | 60 | 2830 | 240 | 1,04 | 340 | 600 | 200 | 2,41 |
Где: U = Напряжение питания · f = Частота · n = Скорость вращения · Pe = Входная мощность · I = Потребляемый ток · qV = Расход воздуха · Pfs = Увелич. давления
|
Артикул
|
R2E250RA5015 |
|
Завод-изготовитель
|
epM |
|
Постоянный/переменный ток
|
переменный |
|
Номинальное напряжение
|
230 В |
|
Скорость вращения
|
2500 об/мин |
|
Входная мощность
|
210 Вт |
|
Потребляемый ток
|
0.93 А |
|
Минимальная температура окружающей среды
|
-25 °C |
|
Максимальная температура окружающей среды
|
70 °C |
|
Степень защиты
|
IP44 |
|
Монтажное положение
|
Горизонтальное расположение вала или ротор внизу; ротор вверху — по запросу |
|
Максимально допустимая темп.окружающей среды
|
°C + 80 |
|
Минимально допустимая темп.окружающей среды
|
°C - 40 |
|
Класс защиты от влаги (F) / класс защиты окружающей среды
|
H1 |
|
Количество лопаток
|
7 |
|
Диаметр крыльчатки
|
250 мм |
|
Вес
|
кг 2.9 |
|
Одно/трехфазная сеть
|
1~ |
