По запросу
Нашли дешевле?
Под заказ
Наши менеджеры обязательно свяжутся с вами и уточнят условия заказа
Описание
Технические характеристики
Без защиты двигателя| Модель | Напряжение, В | Рабочий ток, А | Степень защиты | Размеры ШхВхД, мм | Вес, кг |
| R-D-4 | 400 | 4 | IP 21 | 270*323*163 | 12,5 |
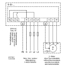
Схема подключения

